Закрыть
Категории
Цена
₽
Сплав
Обрабатываемый материал
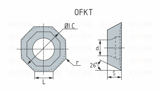
OFKT

Твердосплавные фрезерные пластины OFKT используются для высокоточной обработки заготовок из стали, нержавеющей стали и жаропрочных сплавов. Твердый сплав, используемый для изготовления пластин, обеспечивает износостойкость и высокие прочностные характеристики при интенсивной работе.
Сортировать по:
Фильтр
| Наименование | (L), мм | (ØiC), мм | (r), мм | Толщина пластины S, мм | (d), мм | Обрабатываемый материал | Бренд | Цена | Купить |
| OFKT05T3-DF-YBG202 |
5.26
|
12.7
|
0.5
|
3.97
|
4.4
|
P
M
|
580 ₽ |
|
|
|---|---|---|---|---|---|---|---|---|---|
| OFKT05T3-DM-YBG302 |
5.26
|
12.7
|
0.5
|
3.97
|
4.4
|
P
M
|
ZCC-CT | 890 ₽ |
|
