Закрыть
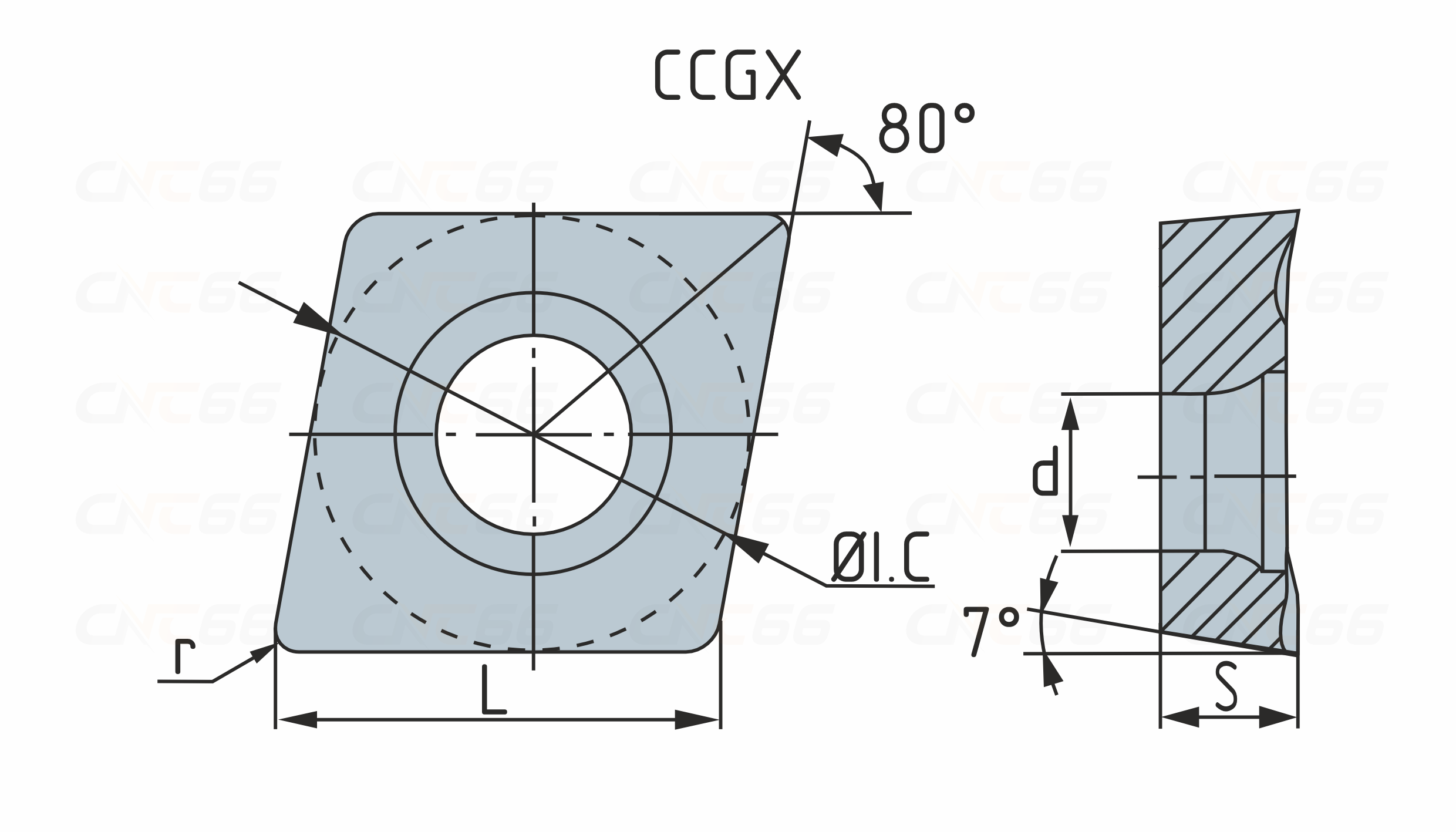
CCGX

Твердосплавные токарные пластины CCGX применяются как для растачивания (первый выбор), так и для наружного точения. Форма пластины - С (ромб 80°). Позитивная геометрия, задний угол 7°. Область применения: расточные державки S...-SCKCR/L, S...-SCLCR/L; проходные державки SCACR/L, SCLCR/L.
Фильтр
Товары не найдены
Товары не найдены
